Make: Italgroup (Italy)
Model: R8C 5400 H7 A1 D90 (5326-1775) - IAC 5400 H7 A1 D90
Displacement: 5,326 - 1,775 cc/rev
Rotation: Reversible
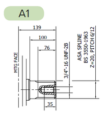
Flange & Shaft: see drawings
Ports: SAE Flange - SAE 1 1/2" 6000 psi
Continuous / Peak Pressure: 250 / 350 bar
Continuous / Peak Speed: 130 / 145 RPM (at VgMax)
Perfectly interchangeable with Kawasaki Staffa HMC 325
R8C motors are dual displacement type.
the change of displacement is achieved by piloting X and Y ports. We recommend to apply the following schematic, where the pilot pressure is coming from the main A, B pressure lines by means of a shuttle valve,

Do contact us if you need further technical support on your application.
amfp@amfluidpower.com


