IAM IAC R8M R8C R8D ITALGROUP INTERMOT
ITALGROUP Radial Piston Motor 4,600 cc/rev Dual Displacement - Staffa HMC 270
ITALGROUP Radial Piston Motor 4,600 cc/rev Dual Displacement - Staffa HMC 270
  • Load image into Gallery viewer, IAM IAC R8M R8C R8D ITALGROUP INTERMOT
  • Load image into Gallery viewer, ITALGROUP Radial Piston Motor 4,600 cc/rev Dual Displacement - Staffa HMC 270
  • Load image into Gallery viewer, ITALGROUP Radial Piston Motor 4,600 cc/rev Dual Displacement - Staffa HMC 270

ITALGROUP Radial Piston Motor 4,600 cc/rev Dual Displacement - Staffa HMC 270

Regular price
$15,650.00
Sale price
$15,650.00
Regular price
Sold out
Unit price
per 

Make: Italgroup (Italy)

Model: R8C 4600 H7 A1 D90 (4600-1533) - IAC 4600 H7 A1 D90

Displacement: 4,600 - 1,533 cc/rev

Rotation: Reversible

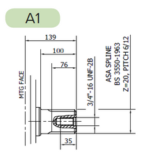
Flange & Shaft: see drawings

Ports: SAE Flange - SAE 1 1/2" 6000 psi 

Continuous / Peak Pressure: 270 / 350 bar

Continuous / Peak Speed: 150 / 170 RPM (at VgMax)

Perfectly interchangeable with Kawasaki Staffa HMC 270

R8C motors are dual displacement type.
the change of displacement is achieved by piloting X and Y ports. We recommend to apply the following schematic, where the pilot pressure is coming from the main A, B pressure lines by means of a shuttle valve,

R8C HMC schematic

 

Do contact us if you need further technical support on your application.

amfp@amfluidpower.com

 

Disclaimer:   All Pictures shown are for illustration purpose only. Read carefully all technical data before making your purchasing decision.