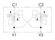
Make: Atlantic Fluid Tech (Italy)
Type: Double Overcentre (counterbalance) valve - In Line
Pressure Setting: 350 bar
Pilot Ratio: 4.2:1
Flow: 60 LPM
Ports Size: V1, V2, C1, C2: G1/2" BSPP
Manifold Material: Aluminium

Our Range of Hydraulic Valves is perfectly interchangeable with other brands in the market, such as Bosch Rexroth, Oil Control, Fluid-Press, Oleostar, Sun Hydraulics, Winner, Danfoss Comatrol, Hydraforce.



